芳香療網

關於我們 電子信箱
回首頁 會員中心
進入購物車系統 最新公告

 
   
   
 

關於我們

我們法國生物科技團隊主要以自行研發藥草植物萃取液,利用專業精密的儀器萃取自天然植物藥草的原液研發,研發出各項適用於皮膚之原料及產品,專研於 奈米微量元素的開發工程包含維他命、特殊生物萃取原料....

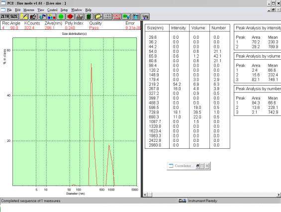
(以下是奈米檢測報告)

在追求天然簡單的美麗之下秉持著專業研究製造精緻、高品質的產品未來更以邁向高科技生物原料研發為公司宗旨

高純度.高品質一直是我們不變的堅持,在這裡您可以找到各種最常使用的精油,和產地獨特取得不易的稀有 植物萃取液.萃取自各種香藥草植物,使植物萃取液含有不同的天然物質,自古就是傳統療法的良帖,近年來 植物萃取液及精油所掀起的美容與芳療風潮更從歐美延燒到亞洲各國.精油濃度甚高不能直接接觸皮膚,建議您用植物萃取液調理保養品,調配出適合自己的保養聖品,或是滴精油在超音波噴霧機上讓您滿室芬芳,達到真正的芳香療法!

公司位置地圖

精油.基底油.花水純露.草本萃取液.草本保養品.精油水氧機.彩妝.瓶瓶罐罐.Diy保養品

 
 

 
 
 
 


Copyright © 1999 BIOAROMA FRANCE 版權所有 芳香療網   公司地址桃園縣中壢市莊敬路829巷31號2樓  TEL:0911-7777-88 FAX:03-433-1730